Билинзы
#45
Отправлено 05 Сентябрь 2010 - 18:49
Вот нашёл схему и фотки
подключил по схеме.реально лучше светят.
Всем спасибо, что воспользовались моими переделками. Кстати, там в сообщении №6 я внёс изменение, и там есть ещё полезные переделки.
Сообщение отредактировал sergey72.07: 05 Сентябрь 2010 - 20:08
#48
Отправлено 09 Сентябрь 2010 - 13:29
Сообщение отредактировал vasko: 09 Сентябрь 2010 - 13:42
#49
Отправлено 09 Сентябрь 2010 - 16:32
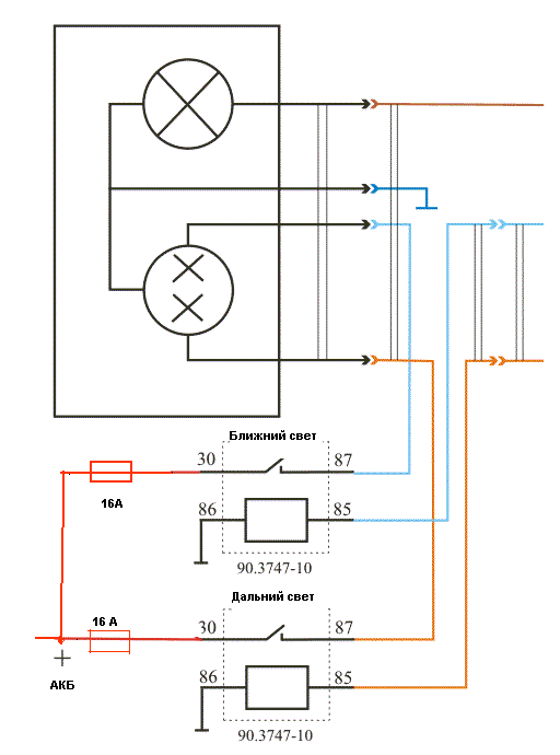
как я понял в оригинале провода идут с акумулятора на выключатель фар и переключатель ближнего дальнего, потом в блок предохранителей, потом на реле ближнего дальнего...и потом уже на фара....так вот, проще наверное не как в схеме указано вешать 4 релюхи и дополнительные 4 предохранителя, а подать с акумулятора на реле в блоке предохранителей...я так думаю, хотя сделал как указано на схеме...потом только дошло что можно было сделать проще...потеря напряжения идет на выключателе фар
Я поставил 2 рэле с газели (рэле стартера)- 70А, 1 на ближний, и 1 на дальний. ВАЗовские залипали
#51
Отправлено 09 Сентябрь 2010 - 21:23
В оригинале напряжение на фары идёт напрямую.Никаких реле нет.Куда там электрики собирались подключится - непонятно.Я поставил ДВА реле - один на блжний другой на дальний свет.
Типа сам себе реле
, но как подсказали электрики - не проще было подать +12 с акумулятора на реле в блоке предохранителей?
Или все таки есть реле на фары?
Сообщение отредактировал forummen: 09 Сентябрь 2010 - 21:28
#55
Отправлено 10 Сентябрь 2010 - 11:17
А зачем тебе 4 релюхи?
Конечно можно обойтись и двумя ( одна- ближний, другая - дальний) .ВАЗовские в данном случае -слабоваты . Они работают , и будут работать , но на пределе . Можно конечно поставить и от Газели (как
было сказано выше ) , но для маломощных реле такая схема " щадящая ".
И опять таки - дело каждого , ставить два или четыре .
Сообщение отредактировал sergemoskva: 10 Сентябрь 2010 - 11:17
#56
Отправлено 14 Сентябрь 2010 - 18:56
Сообщение отредактировал vasko: 15 Сентябрь 2010 - 09:18
#58
Отправлено 14 Сентябрь 2010 - 20:27
При испытании ламп с линзами на полегоне НАМИ , при езде по двухполосной бетонке ( подобие наших дорог) , лампы ослепляли встречную машину . При езде по четырёхполосной бетонке ( машины ехали по крайней правой ) лампы не ослепляли . В машину сели дополнительно три человека. Лампы и с правой стороны стали ослеплять , но чуть с большего расстояния . Вывод : Устанавливать можно , но только в те авто , где есть корректор фар .
Учитывая наш , российский "менталитет" - никто каждый раз не будет выстанавливать корректором фары. Поэтому на наших дорогах нас слепили фарами ( независимо , галогенки , ксенонки ) , так и будут слепить.
У меня есть импульсная фара ( на 1000 импульсов и мощностью 5000 ватт ) приделать к ней рукоятку и ослеплять лампой , вытащив в окно руку с лампой - тем самым наказывать " нерадивых " водителей .
После одного импульса этой лампы зрение возвращается минут через пять. А как ещё бороться?
Сообщение отредактировал sergemoskva: 14 Сентябрь 2010 - 20:41
Ответить

Количество пользователей, читающих эту тему: 1
0 пользователей, 1 гостей, 0 анонимных


Опель Клуб Первый Российский










Помощь