
Чего-то непонятно...
Автор
Stepler
, 16 Янв 2007 02:02
Сообщений в теме: 820
#324
Отправлено 09 Март 2007 - 18:34
LIMOS, я себе поставил за 1Крур Депо и не парюсь... светят на 5!
MirkЫЧ, через какое-то время они не будут светить на 5.
Когда они новые то светят более-менее.
АВТОСТРАХОВАНИЕ и ТО
Ссылка или пишите в личку.
Переоформление автомобилей.
КАСКО, ОСАГО, ведущие компании.
Полис ОСАГО и КАСКО с доставкой.
СКИДКИ
Ссылка или пишите в личку.
Переоформление автомобилей.
КАСКО, ОСАГО, ведущие компании.
Полис ОСАГО и КАСКО с доставкой.
СКИДКИ
#326
заблудший_Vlad 2579_*
Отправлено 10 Март 2007 - 21:34
Скажи пожалуйста сколько у тебя на всё про всё ушло светодиодов просто хочу сразу на рынке закупится а потом уже разбирать и переделовать

Привет, Constantin.
Центральный переключатель освешения_________________1
Приборка____________________________________________4
Пепельница__________________________________________1
Прикуриватель_______________________________________1
Органы управления печкой_____________________________1
Бортовой комп._______________________________________1
Переключатели - по одному светодиоду (у меня их 3)______3
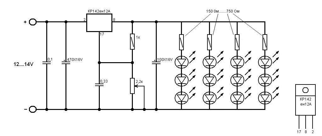
Итого: у меня 12 светодиодов, столько же резисторов номиналом 56 Ом, 3 микросхемы КР142ЕН5 - на 5V. Но у меня по простой схеме (без регулятора яркости).
Если действовать согласно схемке, которую я накидал, то можно обойтись одной микросхемой.
Нужно только подсоединить параллельно четыре веточки из последовательно собранных по три светодиода (соответственно подобрать сопротивление для трёх светодиодов)
Удачи!
#327
Отправлено 10 Март 2007 - 22:49
Я тут решил забацать подсветочку панели управления печкой так у меня туда пошло 5 диодов жаль только сфоткать не могу мой Nikon приказал долго жить
Теперь вот буду експерементировать с приборкой большое спасибо за схемку будем шото пасматреть.
Теперь вот буду експерементировать с приборкой большое спасибо за схемку будем шото пасматреть.
Я Вам не хамлю-я просто использую длинные слова
#328
заблудший_Vlad 2579_*
Отправлено 10 Март 2007 - 23:07
Я тут решил забацать подсветочку панели управления печкой так у меня туда пошло 5 диодов жаль только сфоткать не могу мой Nikon приказал долго жить
Теперь вот буду експерементировать с приборкой большое спасибо за схемку будем шото пасматреть.
Я тоже об этом задумывался, потомучто эта панель по штату светится только сверху - вид СТРЁМНЫЙ.

#329
Отправлено 12 Март 2007 - 21:25
http://foto.opel-clu...lastup-1-0.html
ВОТ моя обивочка сделанная(задней двери),светлое- нат. кожа, черное-нат.кожа,посередине-вставка из перфорированной алькантары,ободок из кожи,вставка в ручку дверную-кожа,а полоска черная у начала окна-перетянута тож алькантарой,ток обычной,а не перфорированной!ну остальные двери наподобии...
ВОТ моя обивочка сделанная(задней двери),светлое- нат. кожа, черное-нат.кожа,посередине-вставка из перфорированной алькантары,ободок из кожи,вставка в ручку дверную-кожа,а полоска черная у начала окна-перетянута тож алькантарой,ток обычной,а не перфорированной!ну остальные двери наподобии...

Opel Omega A 86г.в C20SE Orange Edition-сделано было все что можно и она покинула родную обитель,Opel Vectra B 00г.в х18хе1 продана в клуб; Opel Omega A 91г.в. 2.4 Black(ушла на разбор),BMW 750Li 1991 300л/с АКПП(продана под тюнинХ)
MV6-проект 002- продан в клуб...
проект 003 ОВС '06 2,8t доведен до ума...и продан=)
MV6-проект 002- продан в клуб...
проект 003 ОВС '06 2,8t доведен до ума...и продан=)
#330
Отправлено 12 Март 2007 - 22:22
http://foto.opel-clu...lastup-1-0.html
ВОТ моя обивочка сделанная(задней двери),светлое- нат. кожа, черное-нат.кожа,посередине-вставка из перфорированной алькантары,ободок из кожи,вставка в ручку дверную-кожа,а полоска черная у начала окна-перетянута тож алькантарой,ток обычной,а не перфорированной!ну остальные двери наподобии...

Красиво смотрится!
Забрал автомобиль?
АВТОСТРАХОВАНИЕ и ТО
Ссылка или пишите в личку.
Переоформление автомобилей.
КАСКО, ОСАГО, ведущие компании.
Полис ОСАГО и КАСКО с доставкой.
СКИДКИ
Ссылка или пишите в личку.
Переоформление автомобилей.
КАСКО, ОСАГО, ведущие компании.
Полис ОСАГО и КАСКО с доставкой.
СКИДКИ
#331
Отправлено 12 Март 2007 - 22:41
Красиво смотрится!
Забрал автомобиль?
нее


Opel Omega A 86г.в C20SE Orange Edition-сделано было все что можно и она покинула родную обитель,Opel Vectra B 00г.в х18хе1 продана в клуб; Opel Omega A 91г.в. 2.4 Black(ушла на разбор),BMW 750Li 1991 300л/с АКПП(продана под тюнинХ)
MV6-проект 002- продан в клуб...
проект 003 ОВС '06 2,8t доведен до ума...и продан=)
MV6-проект 002- продан в клуб...
проект 003 ОВС '06 2,8t доведен до ума...и продан=)
#333
Отправлено 12 Март 2007 - 23:09
Opel Omega A 86г.в C20SE Orange Edition-сделано было все что можно и она покинула родную обитель,Opel Vectra B 00г.в х18хе1 продана в клуб; Opel Omega A 91г.в. 2.4 Black(ушла на разбор),BMW 750Li 1991 300л/с АКПП(продана под тюнинХ)
MV6-проект 002- продан в клуб...
проект 003 ОВС '06 2,8t доведен до ума...и продан=)
MV6-проект 002- продан в клуб...
проект 003 ОВС '06 2,8t доведен до ума...и продан=)
#334
Отправлено 13 Март 2007 - 02:22
Да уж Stepler, зачетно,а чего электро стеклоподъемники не стал ставить?
Пусть наши возможности всегда совпадают с нашими желаниями
Мой Омега
ПРОДАЮ:Тягу среднюю рулевую Ruville + палец маятника для Омеги Б
Мой Омега
ПРОДАЮ:Тягу среднюю рулевую Ruville + палец маятника для Омеги Б
#336
Отправлено 13 Март 2007 - 22:01
Решил не ставить,дабы не нарушать стилистику авто
да незнаю...итак кнопок дофига,на местах штатных-раздельный обогрев заднего дивана...вообщем решил так оставить=)у самого электро-и это главное
да и вес бы прибавился,а у меня и так машина потолстела неплохо...



Opel Omega A 86г.в C20SE Orange Edition-сделано было все что можно и она покинула родную обитель,Opel Vectra B 00г.в х18хе1 продана в клуб; Opel Omega A 91г.в. 2.4 Black(ушла на разбор),BMW 750Li 1991 300л/с АКПП(продана под тюнинХ)
MV6-проект 002- продан в клуб...
проект 003 ОВС '06 2,8t доведен до ума...и продан=)
MV6-проект 002- продан в клуб...
проект 003 ОВС '06 2,8t доведен до ума...и продан=)
#337
Отправлено 13 Март 2007 - 22:46
Решил не ставить,дабы не нарушать стилистику авто



Stepler, но были и штатные электро стеклоподъемники на все четыре двери и нет тут нарушении стилистики никакой, да и вес у них небольшой. Наверное ты просто не захотел заморачиваться)))
АВТОСТРАХОВАНИЕ и ТО
Ссылка или пишите в личку.
Переоформление автомобилей.
КАСКО, ОСАГО, ведущие компании.
Полис ОСАГО и КАСКО с доставкой.
СКИДКИ
Ссылка или пишите в личку.
Переоформление автомобилей.
КАСКО, ОСАГО, ведущие компании.
Полис ОСАГО и КАСКО с доставкой.
СКИДКИ
#338
Отправлено 13 Март 2007 - 22:51
Stepler, но были и штатные электро стеклоподъемники на все четыре двери и нет тут нарушении стилистики никакой, да и вес у них небольшой. Наверное ты просто не захотел заморачиваться)))
возможно ты прав=)на подсознательном уровне это было так


Opel Omega A 86г.в C20SE Orange Edition-сделано было все что можно и она покинула родную обитель,Opel Vectra B 00г.в х18хе1 продана в клуб; Opel Omega A 91г.в. 2.4 Black(ушла на разбор),BMW 750Li 1991 300л/с АКПП(продана под тюнинХ)
MV6-проект 002- продан в клуб...
проект 003 ОВС '06 2,8t доведен до ума...и продан=)
MV6-проект 002- продан в клуб...
проект 003 ОВС '06 2,8t доведен до ума...и продан=)
#339
Отправлено 13 Март 2007 - 23:05
возможно ты прав=)на подсознательном уровне это было так


Ну давай уже показывай, уже я готов сам приехать, раз гора сама не может

АВТОСТРАХОВАНИЕ и ТО
Ссылка или пишите в личку.
Переоформление автомобилей.
КАСКО, ОСАГО, ведущие компании.
Полис ОСАГО и КАСКО с доставкой.
СКИДКИ
Ссылка или пишите в личку.
Переоформление автомобилей.
КАСКО, ОСАГО, ведущие компании.
Полис ОСАГО и КАСКО с доставкой.
СКИДКИ
#340
Отправлено 13 Март 2007 - 23:19
Ну давай уже показывай, уже я готов сам приехать, раз гора сама не может

Ну скоро,скоро

Opel Omega A 86г.в C20SE Orange Edition-сделано было все что можно и она покинула родную обитель,Opel Vectra B 00г.в х18хе1 продана в клуб; Opel Omega A 91г.в. 2.4 Black(ушла на разбор),BMW 750Li 1991 300л/с АКПП(продана под тюнинХ)
MV6-проект 002- продан в клуб...
проект 003 ОВС '06 2,8t доведен до ума...и продан=)
MV6-проект 002- продан в клуб...
проект 003 ОВС '06 2,8t доведен до ума...и продан=)
Ответить

Количество пользователей, читающих эту тему: 1
0 пользователей, 1 гостей, 0 анонимных