Кто-то решал смазку механизма складывания боковых зеркал?
Боковое зеркало водителя складывается медленнее и дергается при движении.
Как снять верхнюю заднюю крышку зеркала, чтобы не сломать его.
Отправлено 28 Февраль 2022 - 23:42
Я еще ничего не пробовал, на улице холодно.
Предполагаю, что надо сначала снять стекло зеркала, открутить три винта, снять регулятор.
Затем изнутри разблокировать нижние защелки задней крышки (на картинке красный, синий), затем верхние защелки (на картинке желтый).
После снятия крышки должно быть достаточно места для смазки шарнира.
Это правильно?
Или есть лучшая процедура?
Отправлено 27 Декабрь 2023 - 15:58
Всем привет) ну вот и у меня отклеилось зеркало... Поменял - в итоге обнаружил что есть две клеммы на обогрев. Не стал со старым возиться, купил вкладыш с обогревом.
А теперь вопрос - провода проложены ещё заводские на зеркало. На них нет питания. В тис по двигателю и по вин нет схемы подключения и непонятно как в заводском варианте работает подогрев... Подскажите плиз? Из темы понимаю, что вместе с включение подогрева на заднее стекло? На заднее стекло идёт обогрев и всё работает. Но нажатие кнопок и прочего не даёт эффекта на боковые зеркала.
Как оно должно быть по-заводскому? Хочеться сделать как было задумано.. предполагаю, что может где-то клемма не одета или что-то разобрано... смотреть на 19й контакт в колодке?
подскажите на каком моторе работает подогрев в базовой комплектации, чтобы в ТИС глянуть проводку и где что как по жгутам? на z16xep 2007 в базе нет даже цепей... а по факту проложена но не задействована проводка...
Сообщение отредактировал alexejtkach: 27 Декабрь 2023 - 16:51
Отправлено 27 Декабрь 2023 - 17:10
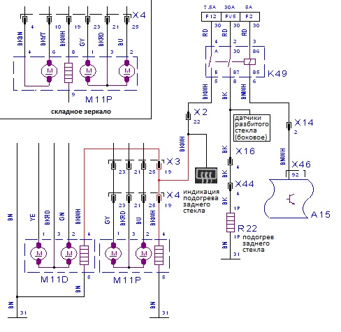
все зависит от комплектации авто. штатно цепь запитывается от реле обогрева заднего стекла, но от параллельной пары контактов
22 пин разъема Х2
разгадывание авто"электро головоломок", ремонт и восстановление электропроводки без пайки и скруток, поиск обрывов и потерявшихся сигналов, убирание "соплей" и пр.
Денис
Отправлено 27 Декабрь 2023 - 20:31
@alexejtkach Для начала проверьте, идет ли питание на дверь, если да, то далее в самой двери проводка.. Если нет, то снимайте или откидывайте назад водительское сиденье, там реле включения обогрева стекла задка и зеркал, там самое вероятное место не подключение проводки выхода "реле-зеркало".
Отправлено 28 Декабрь 2023 - 00:28
некоторые идеи можно найти здесь
https://cs.kolhosnik...=P11631_RUS.htm
https://cs.kolhosnik...=P11610_RUS.htm
Сообщение отредактировал hydrant: 28 Декабрь 2023 - 12:29

0 пользователей, 2 гостей, 0 анонимных