Даже у нас есть тема... Только вот гугл выдал мне это: http://pro-opel-astra.ru/pred.php
Предохранитель 1 ...
Или, хочешь сказать, что у тебя этого предохранителя нет совсем?
Отправлено 26 Сентябрь 2015 - 09:06
Перебрать движок самому... - не просто, но реально.
Отправлено 26 Сентябрь 2015 - 11:02
Отправлено 27 Сентябрь 2015 - 01:03
Сообщение отредактировал lavista: 27 Сентябрь 2015 - 01:05
Отправлено 27 Сентябрь 2015 - 08:25
Перебрать движок самому... - не просто, но реально.
Отправлено 28 Сентябрь 2015 - 21:24
Отправлено 05 Декабрь 2015 - 13:01
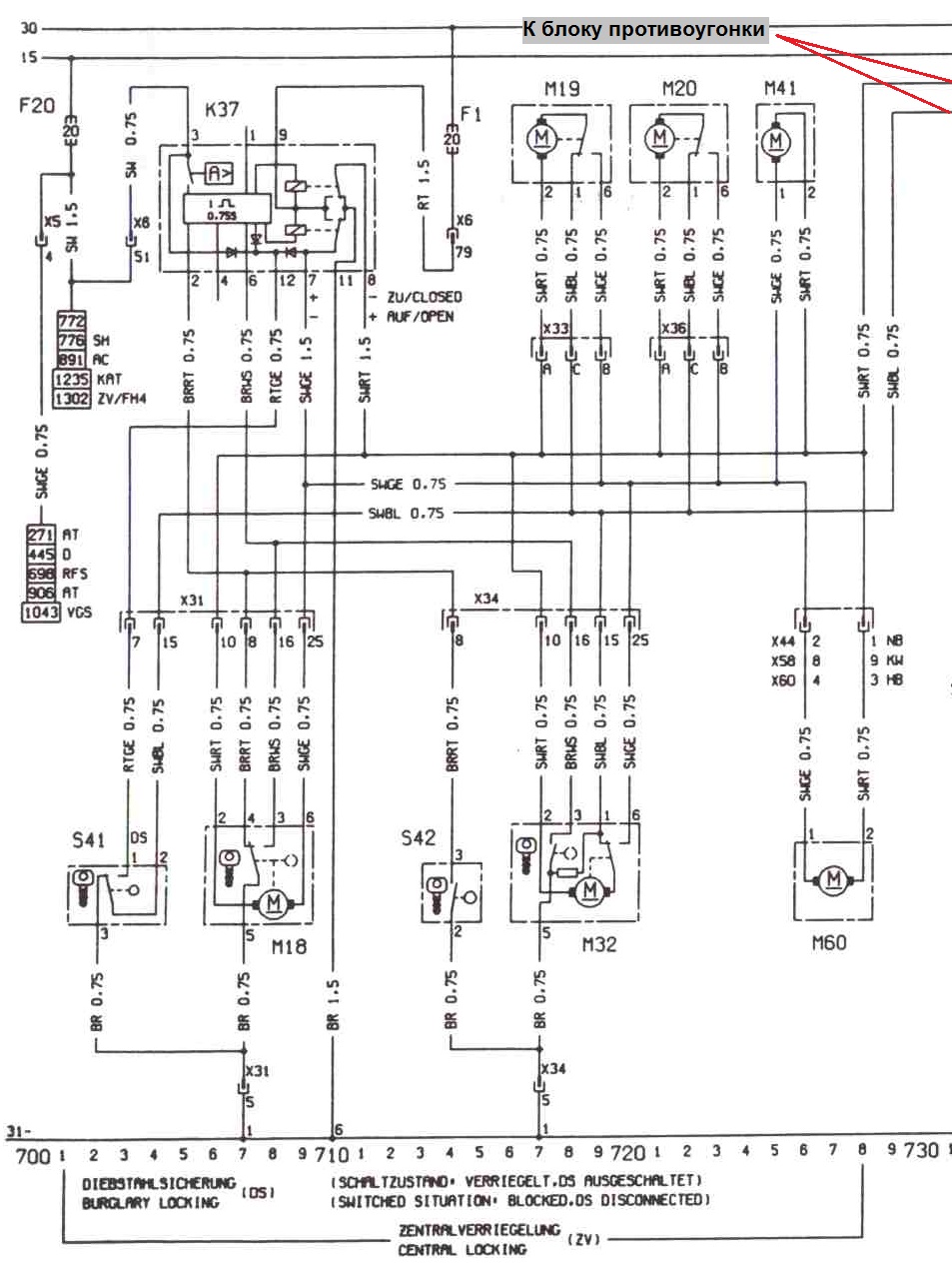
Думаю распиновка поможет разобраться, сверьте по цветам проводов.
Распиновка 12-ти контактной колодки блока управления ЦЗ(CDLS) К37
-------------------------------------------------------------------------------
если установлена штатная противоугонка контакт 8 связан с контактом 6 блока противоугонки.
Схема ЦЗ
Отправлено 08 Февраль 2016 - 21:20
Отправлено 08 Февраль 2016 - 22:16
Отправлено 10 Февраль 2016 - 19:41
Перебрать движок самому... - не просто, но реально.
Отправлено 15 Февраль 2016 - 08:34
Отправлено 13 Март 2016 - 21:56

0 пользователей, 1 гостей, 0 анонимных