Фотоотчет: замена лампочек климата.
#25
Отправлено 24 Январь 2011 - 00:47
Спасибо мужики! блин, прям застеснялся

Ну чтоб не стеснялся, вот вопрос еще: как выглядит лампочка? или название ее? Я еще таких не менял, но помню по старой машине, пока не достанешь, нет смысла идти в магазин.
Пардон, снимаю вопрос, не заметил вначале фото с лампочкой.
Сообщение отредактировал andrew713: 24 Январь 2011 - 00:49
#26
Отправлено 24 Январь 2011 - 10:47
#27
Отправлено 05 Февраль 2011 - 20:46
Поменял себе жёлтый повторитель поворота на белый. На моём металлике хорошо смотрятся. Осталось жёлтые лампочки купить. Ценник, примерно 12 долл. за пару в Эксисте.
Сообщение отредактировал moros: 05 Февраль 2011 - 22:14
#29
Отправлено 10 Февраль 2011 - 06:49
Итак, как обещал, выкладываю мануал на собственном примере
Для работы потребуется: отвертка с насадкой H15, отвертка "минус" и тонкие плоскогубцы, а также две лампочки. Ниже фото.


Откручиваем 2 шурупа справа консоли и 2 шурупа слева консоли, затем переключаем рычаг КПП в третью скорость чтобы удобнее было снимать и тянем консоль на себя.


Потом откручиваем три шурупа под блоком управления климатом, и тянем блок вниз, от отъезжает на залазках расположенных в правом и левом краях, дальше отгибаем вверх нижнюю часть черной пластмассы вокруг магнитолы, тянем блок климата на вниз и на себя и с помощью такой-то матери освобождаем его.
Я для удобства еще отверткой за нижний край отщелкивал блок управления центральным замком и обогревом стекол, но это не обязательно.


Итак, все разобрано и имеет вид

Дальше откручиваем против часовой стрелки цоколи лампочек тонкими пассатижами, не уроните! Я уронил раза три и потом искал на полике кабины

Собираем в обратной последовательности, результат вот

Огромный респект автору
#30
Отправлено 13 Март 2011 - 23:13
#32
Отправлено 13 Март 2011 - 23:37
Вчера потеплело, решил поменять лампочки климата. С разборкой проблем не было т.к. полгода назад это уже делал. Попробовал поставить светодиоды- не понравилось, светят в одну точку. Вынимая светодиоды провтыкал выключить зажигание, что-то коротнуло и услышал как щелкнул предохранитель. Начал по рисунку определять, приборы-целый, внутр. освещение-целый и т.д. Попробовал включить зажигание - ни одна лампочка в спидометре не загорелась и машина не завелась. Шок подкрался незаметно! Вернулся к предохранителям. После тщательного осмотра был найден сгоревший в втором столбце второй или третий сверху обозначеный на рисунке как STOP на синем фоне. После замены его лампочки зажигания загорелись но машина не завелась. Подозрение упало на иммобилайзер, догадался щелкнуть центральным замком с ключа и все заработало. Вот так не внимательность приводит к танцам с бубнами. А вообще, какого фига подсветку запитали в одну цепь с важными приборами?!
Светики бывают разные.
Я для экспериментов купил два дешовых. Штоб просматривать результат.
Штоб светило не в точку? Надо брать светики подороже, без линзы-кольбы.
Тобиш типа отакого плану:

Они дороже, порядка 1,5-2 бакса за штуку, но и параметры получше, а особенно угол свечения:
Применяемость: подсветка приборов
Производитель: Китай
Напряжение питания : 12VDC
Длина волны/цветовая температура: 6500K
Количество светодиодов : 1
Потребляемая мощность : 0,2 Вт
Размеры : ф6х19мм.
Световой поток: 20 Люмен
Цвет свечения: белый
Тип лампы (код): W2.3W (2723)
Угол свечения: 160 град.
Сообщение отредактировал Чижик: 13 Март 2011 - 23:40
#33
Отправлено 13 Март 2011 - 23:50
Так они еще и все свечи накала на один предохранитель втыкнули. Жабоеды...
Скорее всего сделано это с умыслом, чтоб европейцы по любому поводу ехали на фирменное СТО.
Светики бывают разные.
Я для экспериментов купил два дешовых. Штоб просматривать результат.
Штоб светило не в точку? Надо брать светики подороже, без линзы-кольбы.
Спасибо за информацию. К установке диодов возможно вернусь когда снова гавкнут лампочки.
#34
Отправлено 17 Апрель 2011 - 22:48
#35
Отправлено 17 Апрель 2011 - 23:24
#36
Отправлено 18 Апрель 2011 - 08:25
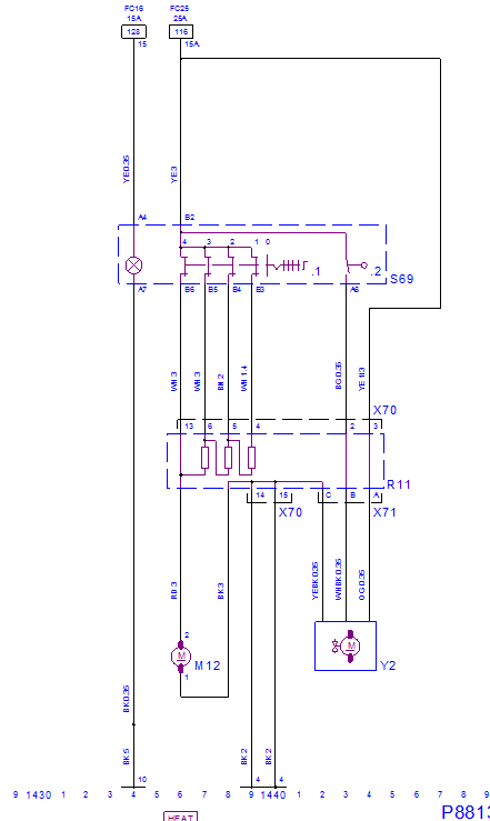
езжу полтора года на машине, и не знал что на климате есть подсветка. Но месяц назад она включилась сама по себе. Поработала пол часа, и погасла. Ясно что дело не в лампочках. Куда надо лезть проверять? Панель управления климатом откручивал, лампы в поряде, конектера тоже
Посмотрите лампочки --- если в порядке --- искать + и массу.
Если укажите мотор и год --- посмотрю какие провода на разъеме им соответствуют.
Ответить

Количество пользователей, читающих эту тему: 2
0 пользователей, 2 гостей, 0 анонимных


Опель Клуб Первый Российский









Помощь