Вентиляция (рециркуляция). Не работает заслонка забора воздуха из салона
Автор
young
, 10 Апр 2008 09:27
Сообщений в теме: 170
#161
Отправлено 13 Февраль 2014 - 11:03
Так, вся беда в том, что он подключал не к мультитаймеру, а к стороннему источнику питания.
Мой мотор - умер... Не доводите пробег ремня ГРМ до 150 тысяч.
6500 оборотов. 1-я передача - это всего лишь 60 км/ч. 2-я передача - уже 100 км/ч. 3-я - ... 140.
Четвёртую проверял... "догнал" до 182... - "поймал" штраф на пятерик... Пятую негде проверить.
Четвёртую проверял... "догнал" до 182... - "поймал" штраф на пятерик... Пятую негде проверить.
Перебрать движок самому... - не просто, но реально.
#162
Отправлено 13 Февраль 2014 - 13:35
Ну мультитаймер же все-равно с задержкой гасит моторчик. Так как я понял, то именно гасит. Не помню, то-ли здесь, то-ли на астраклубе кто-то расписывал принцип данного механизьма. Напряжение на моторчик подается постоянно для удержания положения заслонки. Просто при срабатывании мультитаймера происходит ограничение по току. И происходит с задержкой - чтоб дожать заслонку. А до "гашения" моторчик на прямую валит. Так какая разница к какому источнику подключен моторчик? Думаю "проходное" включение мультитаймера выдаст самую большую силу тока. И никакой сторонний источник не сравнится с прямым врублением в электросхему автомобиля.
На 100% инфы не претендую, но если человек хочет вгородить инородное тело в автомобиль, то почему бы нет? На тормоза, подвеску и мотор не влияет - значит на безопасность не влияет. Исходя с отсутствия угрозы для других участников движения - я за пионерские эксперименты
. Гляди по такому принципу туда можно будет моторчик от электромясорубки вляпить
.
На 100% инфы не претендую, но если человек хочет вгородить инородное тело в автомобиль, то почему бы нет? На тормоза, подвеску и мотор не влияет - значит на безопасность не влияет. Исходя с отсутствия угрозы для других участников движения - я за пионерские эксперименты
Слеп тот - кто, устремив свой взор назад, идет вперед... (В.А. Томилов, tmeter)

#163
Отправлено 16 Март 2014 - 08:41
Мой вариант решения проблеммы с заслонкой, а именно переделка серво привода. Моторчик пришлось заменить, поставил от лпм привода вмдеомагнитофона.
[attachmentid=111953]
Далее всё очень просто, берём два микропереключателя, прикрепляем их на корпус привода, так чтобы в крайних положениях эксцентрик нажимаал на микрики, на фото видно
[attachmentid=111954]
[attachmentid=111956]
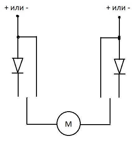
За тем подключаем по этой схеме
[attachmentid=111955]
Теперь двигатель после открытия или закрытия заслонки обестачивается, т.к подключенный диод чере контакты микрика не пропускает минус. Чтобы схема сработала ещё раз нужно поменять + с -, т.е нажать кнопку рециркуляции. Привод работает полтора года, без проблем.
[attachmentid=111953]
Далее всё очень просто, берём два микропереключателя, прикрепляем их на корпус привода, так чтобы в крайних положениях эксцентрик нажимаал на микрики, на фото видно
[attachmentid=111954]
[attachmentid=111956]
За тем подключаем по этой схеме
[attachmentid=111955]
Теперь двигатель после открытия или закрытия заслонки обестачивается, т.к подключенный диод чере контакты микрика не пропускает минус. Чтобы схема сработала ещё раз нужно поменять + с -, т.е нажать кнопку рециркуляции. Привод работает полтора года, без проблем.
#164
Отправлено 16 Апрель 2014 - 09:10
Т.е. снабдив сервопривод СВОИМИ выключателями? Интересно, надо взвесить...
aleksey.v, скажите пожалуйста, а в Вашем случае зачем было так дополнять схему? вот у меня моторчег борзенький, а у вас тоже, или как?
aleksey.v, скажите пожалуйста, а в Вашем случае зачем было так дополнять схему? вот у меня моторчег борзенький, а у вас тоже, или как?
#166
Отправлено 03 Май 2014 - 11:02
В моём случае двигатель находился под постоянным напряжением, в результате чего сгарели его обмотки.
Токовое реле искать не стал т.к неисправность возникает не только у меня, и восстанавливать схему наверное нет смысла, может опять сгореть.
Как у вас все сложно. В моём случае пластиковые шестеренки редуктора постоянно клин или в крайних положениях. Что я с ними только не делал- бесполезно. Клинит. Кто то решал вопрос заменой на новый мотор редуктор ( минус две тысячи с бюджета- отказать!) проблема скоро возвращалась. Решение - снять тягу и оставить заслонку в открытом положении. И забыть о проблеме.
#167
Отправлено 25 Май 2014 - 16:34
Приказал долго жить и мой моторчик привода заслонки рециркуляции салона(задымил). Отопитель BEHR. Прекрасно подошел от электрозамков дверей 100р , пришлось с него снять шестеренку и поставить червяк со сгоревшего. Повашему совету поствил микрики и диоды всё работает без проблем.
Сообщение отредактировал vicontsachs2007: 25 Май 2014 - 16:39
#169
Отправлено 25 Июнь 2014 - 23:15
ну я то сделал вот так http://forum.opel-cl...showtopic=91029
бюджетно... 500 рублей - разбор Вам всем в помощь
бюджетно... 500 рублей - разбор Вам всем в помощь
Главное понять откуда и зачем - потом все дело будет сложено на раз , два...


#170
Отправлено 21 Октябрь 2014 - 12:34
В конце концов с ограничителем по току у меня не получилось: сгорела КРЕНка. К тому-же пришлось исхитряться с переворачивающейся полярностью: собрал что-то вроде диодного моста с двумя КРЕНками в плечах, работало хорошо, но одна из КРЕНок сгорела после 5-й смены полярности. Можно было, наверно, довести до ума, но я перешёл к плану БЭ: присандалил два микрика с диодом на каждом, как в посте ув. aleksey.v, но ещё добавил всё-таки резистор на 5,1 ом на входе с разъёма - так оно аккуратнее у меня работает, а резистор не успевает нагреться.
Шестерню так восстановить и не получилось, очень уж мелкие критичные косые зубцы. До 3D принтера так и не добрпался (а жаль) и заказал Б/У привод, переставил шестерню оттуда. ПОБЕДА, наконец-то
отрабатывает без нареканий! Правда шумнее жужжит из-за неродного моторчика, но мне даже нравится, можно контроллировать работоспособность
Кстати, важно! Б/У привод попробовал поставить просто, без замудрений:
работало ТОЛЬКО в первый день, на второй день переклинило его, расклинить получилось только при демонтаже и последующей разборке;
на столе привод после снятия работал уже не так уверенно, как до установки, медленнее и слабее, наверно мультитаймер работает некорректно, может ток не снимает до конца или ещё что-то, вобщем судьба НОВОГО привода за 2 т.р. представляется мрачной и бесперспективной
!
Лучше уж старый дооснастить, чем брать новый, да ещё и в мультитаймере копаться! ИМХО.
Шестерню так восстановить и не получилось, очень уж мелкие критичные косые зубцы. До 3D принтера так и не добрпался (а жаль) и заказал Б/У привод, переставил шестерню оттуда. ПОБЕДА, наконец-то
Кстати, важно! Б/У привод попробовал поставить просто, без замудрений:
работало ТОЛЬКО в первый день, на второй день переклинило его, расклинить получилось только при демонтаже и последующей разборке;
на столе привод после снятия работал уже не так уверенно, как до установки, медленнее и слабее, наверно мультитаймер работает некорректно, может ток не снимает до конца или ещё что-то, вобщем судьба НОВОГО привода за 2 т.р. представляется мрачной и бесперспективной
Лучше уж старый дооснастить, чем брать новый, да ещё и в мультитаймере копаться! ИМХО.
Сообщение отредактировал V@LeK: 21 Октябрь 2014 - 12:36
#171
Отправлено 20 Август 2015 - 10:42
Прочитал всю тему целиком )
Я не исключение , но беда похлещще ))))
Купил машину и обнаружил вибрацию на 3,4 скорости вентилятора. Докопался - заслонка рецеркуляции обломана просто , и болтается там как хвост собачий ) Увидел снятую фишку с привода рецеркуляции , одел и понял почему она была снята ) в салоне гудение сразу же.
Пока катаюсь так. будет время , полезу смотреть .
Я не исключение , но беда похлещще ))))
Купил машину и обнаружил вибрацию на 3,4 скорости вентилятора. Докопался - заслонка рецеркуляции обломана просто , и болтается там как хвост собачий ) Увидел снятую фишку с привода рецеркуляции , одел и понял почему она была снята ) в салоне гудение сразу же.
Пока катаюсь так. будет время , полезу смотреть .
Ответить

Количество пользователей, читающих эту тему: 1
0 пользователей, 1 гостей, 0 анонимных


Опель Клуб Первый Российский










Помощь