Кто нибудь знает точный номер муфты кондиционера для A20DTH? В каталоге я ничо не понял.
Кондиционер/климат
#82
Отправлено 24 Июль 2025 - 10:16
по одной инфе он идет с катушкой и является муфтовым, а по другой он безмуфтовый и управляется клапаном.
разгадывание авто"электро головоломок", ремонт и восстановление электропроводки без пайки и скруток, поиск обрывов и потерявшихся сигналов, убирание "соплей" и пр.
Денис
#83
Отправлено 24 Июль 2025 - 14:50
@berkut, ну там меня и интересует точная инфа.
. Экзист путается в показаниях. Есть муфта на озоне, но там, кроме утверждений продавца "мамой клянусь подойдёт" больше ничего. Это просто китайский аналог. Это меня устроит, но если оно точно такое же. Особенно с учетом разброса цен от 6 до 60.
#84
Отправлено 25 Июль 2025 - 18:49
@lpm61, так в том и вопрос, что программа не раскрывает истинную комплектацию компрессора. визуально муфта есть?
тогда единственный вариант смотреть комплектацию элементов по моделе компрессора.
разгадывание авто"электро головоломок", ремонт и восстановление электропроводки без пайки и скруток, поиск обрывов и потерявшихся сигналов, убирание "соплей" и пр.
Денис
#85
Отправлено 25 Июль 2025 - 23:21
Посмотреть на сам компрессор и увидеть есть электромагнит или нет его на шкиве.
На экзисте к номеру компрессора (их там два варианта) подтягивает все комплектующие - и сцепление и клапан, причем к обоим компрессорам одинаковые комплектующие. Разница, я так понял, по вину, в зависимости от номера кузова ставились разные компрессоры.
И да, я бы статистике по вину не доверял бы, полез бы смотреть визуально какого вида установлен компрессор и потом искал бы/ заказывал комплектующие..
Сообщение отредактировал ZafiTur: 25 Июль 2025 - 23:23
#86
Отправлено 26 Июль 2025 - 07:54
@ZafiTur, я вину и не доверяю. Вот два варианта меня и смущают. Если смотреть на инсигнию, то там на дизелях разных лет одна и та же муфта. Я хотел до съёма муфты купить новую. Да ещё и не факт, что это сама муфта не работает (но очень похоже на то). Но если "могут быть варианты", то придётся сначала снимать.
@berkut, я хотел предварительно подготовиться, да видно так не получится.
#87
Отправлено 26 Июль 2025 - 10:59
@lpm61, муфту проверить просто.
достаточно разъединить разъем и ткнуться в пины муфты или тестором в режиме прозвонки, или просто другой прозвонкой(пищалкой). если цепь питания целая, будет писк.
этого достаточно что бы быть уверенным что цепь питания самой муфты целая.
а если ткнуться простой контролькой в ответную часть разъема, то должна светится лампочка при включении кондея - питание идет на муфту.
вот и вся проверка.
разгадывание авто"электро головоломок", ремонт и восстановление электропроводки без пайки и скруток, поиск обрывов и потерявшихся сигналов, убирание "соплей" и пр.
Денис
#93
Отправлено 01 Август 2025 - 15:38
И еще, на буржуйском форуме, правда про Astra J, пишут что реле может быть не быстросменное, а впаянное в блок реле и предохранителей под капотом, в этом случае будет не обозначено в руководствах, если нет отдельного мануала по этому блоку...
Сообщение отредактировал ZafiTur: 01 Август 2025 - 15:40
#94
Отправлено 02 Август 2025 - 14:22
@berkut нет, не приходит. Тут есть загадка. У одной инсигнии была удивительная история с этой муфтой (она есть) и клапаном (который тоже есть). Дык вот питание какое-то на муфту приходило, но она не включалась. Что, оказывается и было задумано производителем. А включением кондея занимался клапан (проблема была в нём). Т.е. провода, разъёмы, муфта есть, но не участвуют. Так написал хозяин.
@ZafiTur, эти схемы у меня есть. В основном блоке ( и вспомогательных) этого реле точно нет. Конкретно мои реле соответствуют одной из картинок из сети. У меня есть все, кроме 01 реле. Оно обозначено, как резерв. Раз кондей раньше работал, значит это реле я не потерял
. А вот насчёт впаянного реле я тоже встречал. И думаю, что так вполне может быть. Хотя в букваре это реле есть. Но оно может быть закопано во глубине сибирских руд.
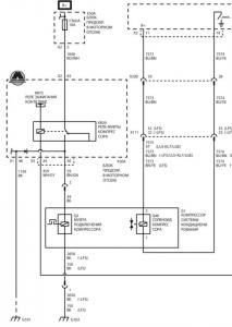
Картинка блока предохранителей с цветными цифрами не от моей Зафиры. Скорее всего это от Зафиры Б. Ну или у бензинок другой блок
#95
Отправлено 02 Август 2025 - 14:29
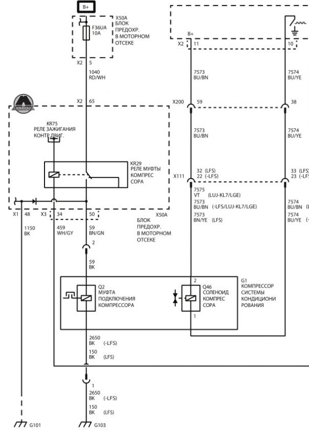
На схеме реле KR29 реле муфты компрессора. Причём и для автомата (климат) и для ручного (кондей) это реле на схеме есть. Ну понятно. Раз предохранитель 36 на 10А, то муфта уж точно несколько ампер кушает.
Мой блок предохранителей точно соответствует картинке. И назначение реле -тоже. Это я проверял, когда искал обрыв в жгуте... Среди этих реле муфтой никто не управляет. Есть ещё доп реле в салоне под левым бардачком - те тоже ни каким боком. Остаются недра.
Я когда прошлый раз разбирал электрохозяйство (подбирался к жгутам) так и не смог демонтировать блок предохранителей. Правда уже нашёл то, что искал и настойчивости не проявил.
Ну и ещё есть мысль, что дело может быть в обрыве земляного провода. Многочисленные места крепления земель к кузову у меня в состоянии "так себе". Что-то я поправил-почистил, что-то нет. Вот думаю, куда сначала смотреть...
#96
Отправлено 02 Август 2025 - 14:47
тут ещё есть непонятка. Если верить схеме из руководства (издание рекомендовано профессионалами
) то и предохранитель №36 и реле муфты компрессора находятся в "блоке предохранителей в моторном отсеке". Х50А. Предохранитель там есть, а реле (KR29) нет. Это наводит на мысль, что под предохранителями есть ещё какие-то реле. Может и искомое.
Никакого клапана на схемах я не нашёл. Ну и реле тоже. Есть датчик давления. Мы его проверяли опкомом. Давление в системе есть - всё, что можно сказать. Были случаи, когда кондей отказывался включаться именно из-за отсутствия хладагента. Но у меня в этом мае в системе было 200гр вместо 630. И чота из сопел шло немного холоднее улицы. А сейчас просто горячим фигачит из сопел.
#100
Отправлено 03 Август 2025 - 17:04
Скорее всего это от Зафиры Б
точно не от нее
Astra K, как я сам уже позже рассмотрелся...
Один из вариантов простого метода проверки - подать на муфту принудительно чего не хватает, + или - в разъем муфты, кратковременно, посмотреть на результат включения компрессора - сократит область поиска причины - в цепи муфты или в цепи клапана..
У меня на А18XER сверху, из под открытого капота, разъем этот видет и не особо трудно доступен, так сделать можно без особого труда. Как на 2.0 дизель не знаю, может сложнее.
Сообщение отредактировал ZafiTur: 03 Август 2025 - 17:06
Ответить

Количество пользователей, читающих эту тему: 5
0 пользователей, 5 гостей, 0 анонимных


Опель Клуб Первый Российский








Помощь