Отопление и вентиляция
#2042
Отправлено 08 Апрель 2018 - 17:28
Сообщение отредактировал OpelSintraztl: 08 Апрель 2018 - 17:29
#2047
Отправлено 14 Июль 2018 - 22:50
Принцип разъединения такой же , что и при замене топливного фильтра под машиной .
Спасибо!
#2048
Отправлено 14 Август 2018 - 11:24
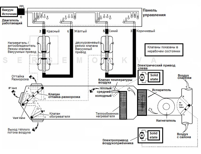
Это скорей всего вакуумные заслонки ( или вакуум не доходит или слетели паролоновые прокладки ) и частично негерметичность воздуховодов. В первую очередь надо посмотреть переключатель положения заслонок на целостность шлангов. А для этого надо снять облицовку, где находятся магнитола, переключатели отопления и кондиционирования и т.д. Для этого надо открутить два болта которые находятся в прикуривателе и снять её , чуть приподняв . Далее открутить панель с переключателем и посмотреть с обратной стороны на шланги.
А вот вакуумный распределитель находится под бардачком , левее вентилятора.
На вакуумном распределителе нет разряжения.Можно схему подключения и работы заслонок ?
Сообщение отредактировал mashina: 14 Август 2018 - 11:25
#2051
Отправлено 05 Сентябрь 2018 - 10:55
Хочу рассказать свою историю о датчике , который установлен на радиаторе (3-х контактный) . В конце весны стали включаться оба вентилятора на большой скорости , когда температура ОЖ доходила до температуры включения вентиляторов охлаждения , а именно 102-105 градусов. И даже , если температура не опускалась ниже 40 , вентиляторы продолжали работать на большой скорости . Причём . При выключении зажигания оба вентилятора сразу выключались , тогда как они должны продолжать работать , пока не опустится температура до 70 - 80 градусов . Вывод был очевиден . Это неисправность 3-х контактного датчика температуры . Подобрал , по каталогу , датчик , позвонил в магазин , они сказали , что есть такой . А когда приехал , то сказали , что именно этого датчика , о котором я спрашивал , нет . У них в базе данных он есть , а на складе нет . И они мне предложили замену, сказав , что этот датчик то же самое , но другой производитель . Ну , и как всегда , установить его было некогда . В конце августа , когда варил рамку радиатора , я поменял датчик . Но , когда поехал на большое расстояние( 200 км) , то выявился недостаток этого датчика (а может быть и неисправность- пока не вникал) . Он включал один вентилятор ( на схеме М11) на большой скорости при температуре 90-95 градусов . При этом , термостат ещё не успел полностью открыться , и как результат - ОЖ через радиатор охлаждения не проходила . Поэтому вентилятор работал пока температура на приборке не стала показывать около 70 градусов . Вывод один - замена датчика . Ниже приведена схема системы охлаждения/кондиционирования . Вкратце поясню (в моём случае ) работу 3-х контактного датчика . ......При достижении температуры 90-95 градусов контакты 1 , 3 этого датчика ( на схеме S128) размыкаются , а контакты 2, 3 замыкаются и подают минус на два реле К52 и К67 . Контакты реле К67 замыкаются и подают плюс 12 вольт на мотор М11 вентилятора охлаждения . У реле К52 один контакт "разрывается" , а другой соединяется и , тем самым , подаёт минус на второй мотор М4 вентилятора охлаждения , но плюс на этот мотор не поступает потому , что температура включения датчика S29 недостаточна для включения реле питания К51 этого мотора . Вот и получается , что работает только один вентилятор М11 (справа по ходу движения) на большой скорости .
#2052
Отправлено 09 Сентябрь 2018 - 11:19
И даже , если температура не опускалась ниже 40 , вентиляторы продолжали работать на большой скорости . Причём . При выключении зажигания оба вентилятора сразу выключались , тогда как они должны продолжать работать , пока не опустится температура до 70 - 80 градусов .
Вентиляторы сбрасывают температуру до 95 градусов.
При желании развеять миф про "магическую серединку между 40 и 100" можно подключением простейшего сканера типа ОП-Ком
Сообщение отредактировал Крамер: 09 Сентябрь 2018 - 11:21
#2053
Отправлено 09 Сентябрь 2018 - 13:02
Любое сопротивление имеет погрешность . Это и стрелочный индикатор на приборке , это и сам датчик . Поэтому показания могут быть разными на каждом автомобиле . Несколько лет назад проводил диагностику 2-х датчиков температуры (двухконтактные на радиаторе ) . Оба находились в кастрюле с водой . Один из них включился раньше на 8 секунд . И при комнатной температуре оба показывали разное сопротивление . Незначительное , но разное .Если учитывать , что ещё и стрелочный индикатор на приборке имеет погрешность , то .....независимо от температуры двигателя , датчик может включаться и выключаться от 92 до 105 .
#2054
Отправлено 09 Сентябрь 2018 - 19:53
В данном случае речь идет про конкретный прибор на конкретном автомобиле. Тут имеет место быть нелинейная шкала, с указанными мною выше ценами делений.
Фактическая погрешность "включения/выключения" вентилятора в первую очередь в том, что мы "видим" на приборке температуру самого горячего места - головки. А двухконтактный датчик (как и трех) стоит на радиаторе.
Выключатся на 92 - может быть. Включатся - нет. Минимальная фактическая температура включения у датчиков двигателей данного семейства (исключая пожалуй С-серию) 100 градусов. Базовая 105. Выключение 95 и 100 соответственно. (есть подобные датчики от старых ВАЗов и фиатов с показателями 95-88градусов, но мы их опустим)
92 градуса это время начала открытия термостата.
На температурах вышеуказанных тобою 70-80 градусах - вентилятор (в заведомо исправной системе) никакой активности не проявляет. Разве что принудительно при включении кондиционера.
Кстати, при покупке машины - датчиков и термостатов, я перепробовал великое множество, чтоб добиться правильной работы. "Варил" термостаты, подбирая правильную температуру начало открытия и (хоть и все они заявленные 92-107, фактические показатели разнятся от производителя к производителю) тд. И мне это удалось. Стрелка лежит на 92 и начинает ползти к 100 только в пробках и тянучках от средних+. Но сейчас, по прошествии лет, стрелка начала покидать свои 92, устремляясь вверх, гораздо раньше обычного. Проверка термостата и замена пробки бочка ож, как и замена антифриза (радиатор чистый) - результатов не дали. Будет время - разберусь (ну или хоть попробую)) )
#2055
Отправлено 09 Сентябрь 2018 - 21:52
- Амбр сказал за это спасибо
#2056
Отправлено 10 Сентябрь 2018 - 11:04
OpelSintraztl
Александр , привет . Не забудь поставить дополнительный насос , один на 2 печки и помощнее .
Крамер
Или мы о разном , или что-то недопонимаем . Что я хотел пояснить . При подключении сканера , температура двигателя составляет 95 , тогда как на приборке она может показывать 80 . А в некоторых случаях может и 70 . Когда выключается вентилятор охлаждения , то на сканере может показывать 90 - 95 , а на приборке те же 70 - 80 . И это зависит от точности датчиков , точностью которых не может похвастаться ни один производитель . Вот о чём я хотел сказать . А подбирать каждый датчик под стрелочный индикатор на приборке не каждый будет . Да и погрешность этих приборов тоже влияет на точность показаний . Даже каждый двигатель - индивидуален . К примеру , я свой старый двигатель ( ГБЦ) снимал (ремонтировал , проводил профилактику) раза 4 , и каждый раз , во время езды , на скорости 120 км. тахометр показывал 2500 оборотов( на 5-ой) . В позапрошлом году поставил контрактный и 2 раза уже его перебирал . Так этот двигатель , при скорости 120 км , показывает 3000 оборотов (на 5-ой) . Поэтому есть два мнения работы датчиков . Первое - это как должны они работать . Второе - как на самом деле они работают . И у всех значения (второй вариант) будут разные .
Сообщение отредактировал sergemoskva: 10 Сентябрь 2018 - 11:05
#2057
Отправлено 10 Сентябрь 2018 - 12:24
#2058
Отправлено 10 Сентябрь 2018 - 21:00
#2060
Отправлено 10 Сентябрь 2018 - 23:53
Ответить

Количество пользователей, читающих эту тему: 4
0 пользователей, 4 гостей, 0 анонимных


Опель Клуб Первый Российский



.





Помощь