да и с убитых 2.0 можно снять
Тема для дурацких вопросов
Автор
Randall
, 02 Дек 2009 14:32
Сообщений в теме: 6319
#5983
Отправлено 26 Январь 2016 - 17:45
парни, у кого есть фото моторчика печки с установленным блоком резисторов?
у меня снаружи моторчика нет этих резисторов.
печка кондейная. скорости работают все.
разъем пятипиновый виден перед мотором. может под ним находится блок сопротивлений?
у меня снаружи моторчика нет этих резисторов.
печка кондейная. скорости работают все.
разъем пятипиновый виден перед мотором. может под ним находится блок сопротивлений?
Сообщение отредактировал lexa555: 26 Январь 2016 - 17:56
#5990
Отправлено 03 Февраль 2016 - 18:05
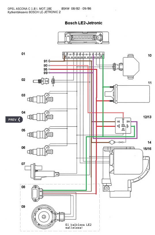
Денька доброго всем. Парни подскажите пожалуйста если кто сможет по ЭБУ. У меня стоит блок GM 90 194 35 (на фото), это получается LE2-JETRONIC. Но вот вопрос в разных местах порядок впрыска топлива на этом ЭБУ разнится. На одной из схем все форсунки параллельно работают, что за собой влечет больший расход топлива, а на других схемах также подписаны как ЭБУ данной модели, впрыск более прогрессивный уже, работают форсунки в определенном порядке группами, не все 6, что уже более логично. Так как же понять как на моем двигателе работает данный впрыск?
Сообщение отредактировал -PL-LUDOVIK: 03 Февраль 2016 - 18:53
Если Senator - просто Opel, то Екатерина Великая - просто баба!
#5994
Отправлено 03 Февраль 2016 - 22:00
Все прыскает одновременно. Тройками писает Ц26НЕ, а Ц30СЕ писает в каждый цилиндр отдельно.
Получается у меня самый галимый впрыск, понятно тогда почему на трехлитровых двигателях с автоматом жрет меньше чем у меня...... Интересно а можно без замены двигла, как нить поменять проводку под новые мозги и подключить форсунки например как у C26NE?
Если Senator - просто Opel, то Екатерина Великая - просто баба!
#5997
Отправлено 03 Февраль 2016 - 22:47
-PL-LUDOVIK, берешь весь комплект от Ц26НЕ и ставишь. Только смысла в этом немного...
Т.е не меняя двигателя можно отдельно электронику поставить и будет работать по новой схеме? А смысла нет много потому что на расход особо не повлияет?
Сообщение отредактировал -PL-LUDOVIK: 03 Февраль 2016 - 23:09
Если Senator - просто Opel, то Екатерина Великая - просто баба!
#5999
Отправлено 04 Февраль 2016 - 08:20
ну если еще и "дуалрам" поставить, то повеселее на верхах поедет.
на мой взгляд, если уж и переходить на более современный впрыск, то имеет смысл заморочиться с фазированным впрыском, и экономия топлива, и повышение кпд двигатели, и улучшение экологии
но тут надо мороковать с новым блоком ЭБУ (универсальный либо от какого-то современного автомомбиля с 6-ю горшками), с топливными картами, с углами и т.д.
на мой взгляд, если уж и переходить на более современный впрыск, то имеет смысл заморочиться с фазированным впрыском, и экономия топлива, и повышение кпд двигатели, и улучшение экологии
но тут надо мороковать с новым блоком ЭБУ (универсальный либо от какого-то современного автомомбиля с 6-ю горшками), с топливными картами, с углами и т.д.
Ответить

Количество пользователей, читающих эту тему: 0
0 пользователей, 0 гостей, 0 анонимных


Опель Клуб Первый Российский









Помощь